0
Yorum
ENC28J60-I/SO SOIC-28 Smd Entegre
281,52
TL
+
KDV
337,82
TL
Gelince Haber Ver
281,52
TL
+
KDV
337,82
TL
Favoriye Ekle
Tavsiye EtYorum YapFiyat Alarmı
ENC28J60/SS SSOP-28 Smd Yerel Ağ Denetleyici Entegresi
ENC28J60, endüstri standardı Seri Çevresel Arabirime (SPI) sahip bağımsız bir Ethernet denetleyicisidir. SPI ile donatılmış herhangi bir kontrolör için bir Ethernet ağ arayüzü olarak hizmet etmek üzere tasarlanmıştır.
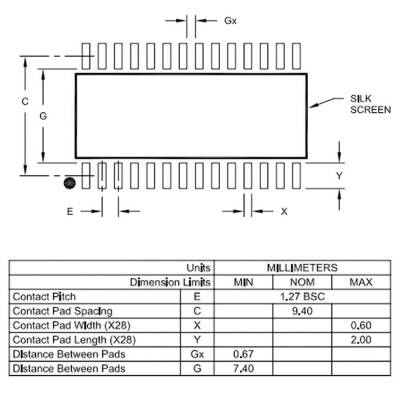
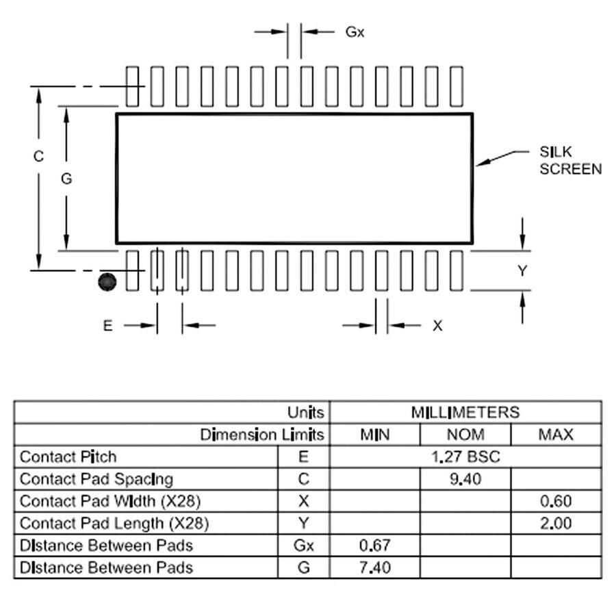
| Seri | ENC28J60-I/SO |
| Besleme Voltajı | 3.1-3.6V |
| Arayüz Türü | MII, MIIM, SPI |
Çalışma Sıcaklığı | -40 - +85 |
| Veri hızı | 10 Mb/s |
| Pin Sayısı | 28 Pin |
| Paket Tipi | SOIC-28 |
BENZER ÜRÜNLER
.png)









