0
Comment
MACH3 5-Axis 100KHz USB CNC Controller Card V2.1
667,50
TL
+
VAT
801,00
TL
Notify Me When It Arrives
667,50
TL
+
VAT
801,00
TL
Add to Favorite
RecommendCommentAlarm Price
MACH3 5-Axis 100KHz USB CNC Controller Card V2.1
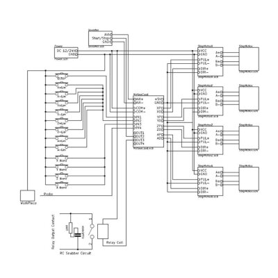
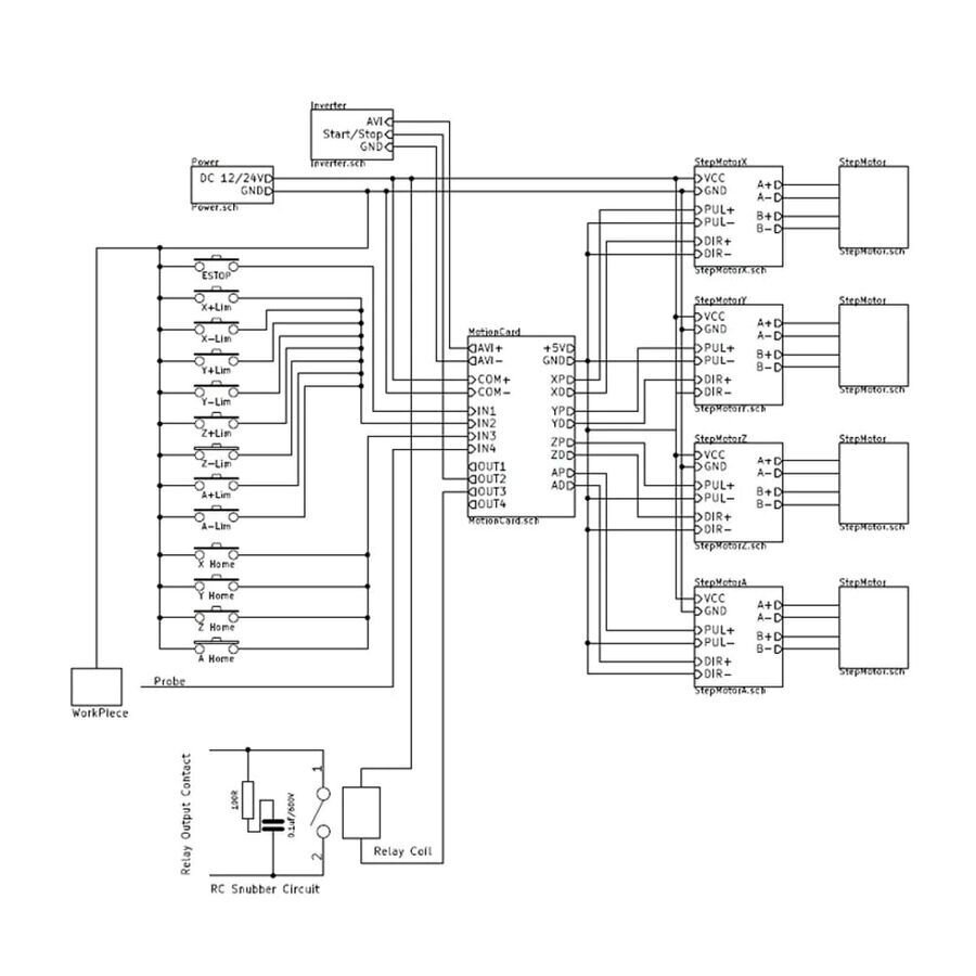
If you're tired of needing a parallel port and an old computer to run Mach3, the MACH3 5-Axis 100KHz USB CNC Controller Card is the solution you've been waiting for. Our newest interface card works through any standard USB port for communication. Simply install the card's Mach3 add-on and follow the installation instructions.
This Mach3 USB Controller runs Mach3 through a standard USB port on a computer. You can use Windows 10 and older Windows versions (32-bit or 64-bit).
Features
- External wide voltage input, 12-24V and reverse current protection function.
- Supports various versions of MACH3 software and the latest version.
- Supports Windows XP, WIN7, WIN8, WIN10, 64-bit systems, laptops, and tablets.
- The input can be connected to a mechanical switch or a proximity switch (normally open with NPN).
- The optocoupler-isolated 0-10V analog voltage output allows you to control a 0-10V analog voltage input inverter and control the speed of spindle motors.
- Provides 4 output ports (5V level), optocoupler relay module can be connected
Installation Steps
- Step 1: Install the Mach3 software.
- Step 2: Download the USB Motion Driver BL-UsbMach-V22.dll and copy and paste it into your Mach3 Plugins folder. For example: "C:/Users/ProgramFiles/Mach3/Plugins"
- Step 3: Make sure your motherboard is connected to your computer via a USB cable. It will automatically recognize the USB device.
- Step 4: Open Mach3 and you will be prompted to select a driver. Select "USBMach V2.0" and check the "Don't ask again" option. This will enable your card to communicate with Mach3.
- Step 5: Download the XML Mach3 Configuration File above by right-clicking the link and selecting "save as." Save the Mac3Mill.xml file to your Mach3 main folder.
Link

SIMILAR PRODUCTS
.png)















