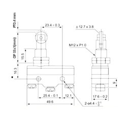
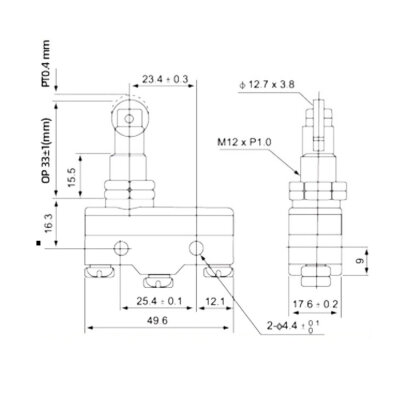
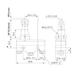
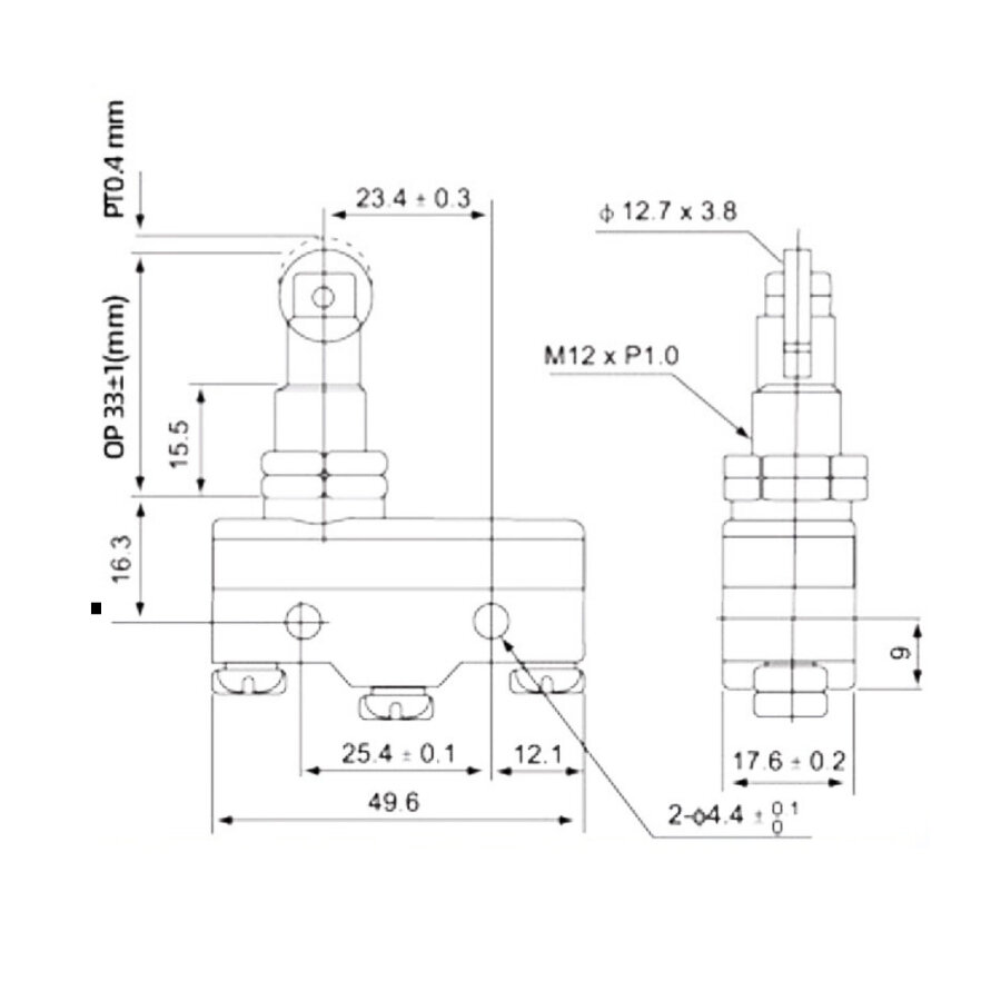
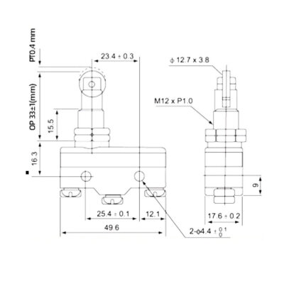
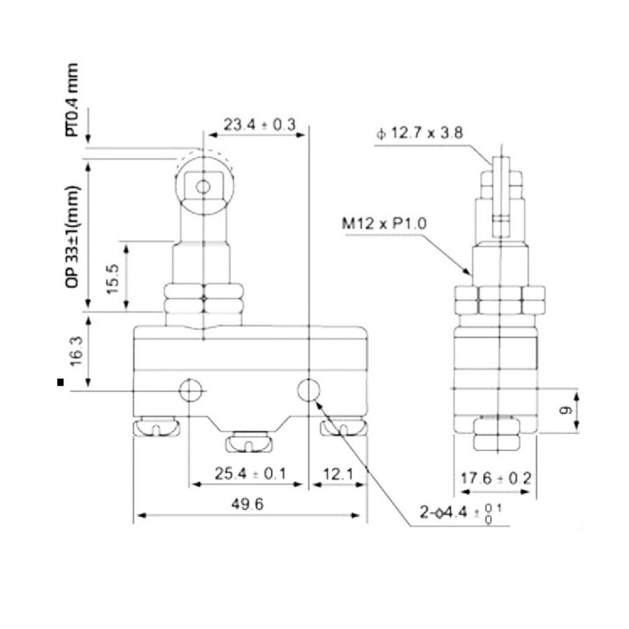
Z-15GQ22-B Micro Switch 3-Pin
The Z-15GQ22-B Micro Switch 3-Pin is a large micro switch designed for reliable and precise switching. With its high switching capacity of 15 A at 250 VAC, it is the ideal choice for high-current applications.
Areas of Use
- CNC machines
- Production Lines
- Conveyor Systems
- Robot Arms
- Door system stop mechanisms
- Limit point detection for safety stops in automatic systems
Features
- Contact Resistance: 15 mOhm
- Insulation Resistance: 100 mOhm (@500VDC)
- Dielectric Strength: 1000VAC, 50/60 Hz 1 min
- Motion Frequency;
- Mechanical: 240 cycles/minute
- Electrical: 20 cycles/minute
- Operating Temperature Range: -25 ~ 80°C
- Electrical Life: 500,000 cycles
Current Table

Pinout
