0
Comment
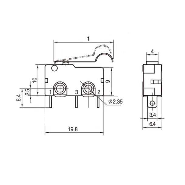
KW4A Micro Switch 3-Pin
4,60
TL
+
VAT
5,52
TL
Notify Me When It Arrives
4,60
TL
+
VAT
5,52
TL
Add to Favorite
RecommendCommentAlarm Price
KW4A Micro Switch 3-Pin
Limit switch can be used in a variety of applications; They are versatile, from a tip stop on CNC machines to a shock detector on a small circulation robot. It works like a momentary switch and provides normally open and normally closed contacts.
Limit switches differ in how the switch is operated – limit switches usually have a metal lever on them. The metal arm acts like a spring and protects the physical switch from repeated impacts. There are two mounting holes that facilitate connection to machinery, robots or other projects.
Pin: 3 Pin
Current / Voltage: 5A / 125V AC < /DIV>
Dimensions: 20x10x6.5mm
SIMILAR PRODUCTS
.png)

















